Complete Formaldehyde Plant EPC Solutions
As an experienced formaldehyde plant EPC contractor, we deliver fully integrated turnkey solutions covering the entire lifecycle of industrial formaldehyde production facilities.
Our scope includes:
Process design and engineering
Equipment manufacturing and sourcing
On-site installation and construction
Commissioning and plant startup
Operator training and technical support
With over 10 years experience, SL Tec focus on formaldehyde production technology based on silver contact process(or silver catalyzed process). A lower methanol consumption, higher formalin product concentration, high export steam capacity and ease of operation are our features, which makes it the best technical and economically viable solution. Every unit operation including methanol evaporation, catalytic reaction, absorption, off-gas treatment has optional design to at best satisfy the customer's needs.
One-stop Package Solutions Formaldehyde Plant
We provide one-stop package solutions from the formaldehyde plant design, manufacture, erection, commissioning, startup to training, with the production capacity of 6,000TPA – 120,000TPA and the formaldehyde product concentration varying from 37-55%. And according to the customer's different needs, there are totally 7 (seven) optional processes as follows:
1) Traditional Bubble Evaporator + Absorber with 3 (three) Concentration Gradients to produce 37% formalin
2) New Evaporator + Absorber with 3 (three) Concentration Gradients to produce 37% formalin
3) Off-gas Circulation + Re-boiler + Absorber with 3 (three) Concentration Gradients to produce 37-42% formalin
4) Off-gas Circulation + Re-boiler + Absorber with 3 (three) Concentration Gradients to produce 37-55% formalin
5) Off-gas Circulation + Evaporation Column + Absorber with 6 (six) Concentration Gradients to produce 37-55% formalin
6) Off-gas Circulation + Multipurpose Evaporator + Absorber with 6 (six) Concentration Gradients to produce 37-55% formalin
SL Tec is professional supplier of formaldehyde production and formaldehyde plant turnkey solutions according to different requirement from customers. We focus on Formaldehyde plant for sale at low cost. Please contact us to let us know your situation, and we would like to offer the perfect formaldehyde plant design for you.
Flexible Capacity and Product Specifications
Our formaldehyde plants are designed to meet diverse industrial requirements:
Production Capacity: 6,000 – 120,000 TPA
Formalin Concentration: 37% – 55%
Custom Design: Adapted to feedstock quality, energy conditions, and local regulations
Typical Product Specifications
| Item | Index |
|---|---|
| Formaldehyde | 37–49% WT |
| Methanol | ≤1% WT |
| Formic Acid | ≤0.01% WT |
| pH | 3.5–4.0 |
| Colour (PT-CO) | ≤10 |
| Total Iron | ≤0.0001% WT |
Advanced Process Technology Options
We primarily adopt the silver catalyzed process, recognized for its economic efficiency and operational stability.
To match different investment levels and product targets, we offer multiple process configurations:
Traditional evaporator + absorber systems for standard 37% formalin
Advanced off-gas circulation systems for higher efficiency
Re-boiler and multi-stage absorption designs for higher concentration output
Multipurpose evaporator systems for flexible production (37%–55%)
Each configuration is engineered to balance:
Capital investment
Operating cost
Energy efficiency
Product quality
Key Advantages for Industrial Buyers
Instead of just technical features, our solutions focus on measurable business outcomes:
Lower Operating Cost
Optimized methanol consumption (as low as 0.445 mt/mt)
Energy-efficient heat recovery and steam utilization
Higher Production Efficiency
High conversion yield
Stable continuous operation
Energy Recovery & Utilization
Significant steam export from off-gas boiler and WHB
Reduced overall plant energy cost
Reliable and Long-Term Operation
Durable reactor design
Low maintenance requirements
Extended catalyst service life
Consistent Product Quality
Low formic acid content
Controlled pH and impurity levels
Utility Consumption Reference
| Item | Consumption |
|---|---|
| Methanol | 0.445 mt/mt (37% formalin) |
| Power | 28 KWH/mt |
| Steam Production | 400 kg + 180 kg per mt |
| Circulating Water | 70 mt/mt |
| Demineralized Water | 1.5 mt/mt |
| Instrument Air | 30 Nm³/h |
These parameters are optimized during engineering design to suit project-specific conditions.
Applications of Formaldehyde Plant
Our formaldehyde plants are widely used in:
Wood-based panel industry (MDF, particleboard, plywood)
Resin production (UF, PF, MF resins)
Adhesives and binders
Chemical intermediates manufacturing
We tailor plant design based on downstream application requirements to maximize overall value.
EPC Project Execution Capability
As a turnkey contractor, we ensure smooth project delivery through:
Integrated engineering and procurement management
Strict quality control during fabrication
On-site supervision and installation support
Fast commissioning and performance testing
Our EPC model minimizes coordination risks and ensures faster project completion. View our project!
Scope of Supply
Our formaldehyde plant EPC services include:
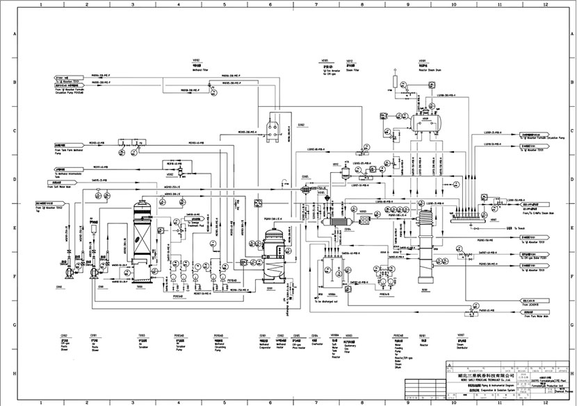
Process design package (PFD, P&ID)
Core equipment (reactor, absorber, evaporator, heat exchangers)
Off-gas treatment and environmental systems
Utility system integration
Automation and control systems
Installation and commissioning services
Request a Customized Formaldehyde Plant Solution
If you are planning to build or upgrade a formaldehyde production facility, our engineering team can provide a customized EPC solution tailored to your operational goals.
Tell us:
Required capacity
Product concentration
Feedstock conditions
Project location
We will propose the most suitable process configuration and project plan.
SL Tec is committed to delivering reliable and cost-effective formaldehyde plant EPC solutions for global industrial clients, combining engineering expertise with flexible supply capabilities.
















